产品中心

Product

当前位置:首页  /  产品中心  /  溶解氧(ODO)电极  /  手持微量荧光ODO套装  /  手持微量荧光溶解氧套装

手持微量荧光溶解氧套装

简要描述:手持微量荧光溶解氧套装:
• 内置0 to 50°C (°C / °F)自动温度补偿功能
• 内置50 to 115 kPa自动压力补偿功能
• 用户通过输入盐度自动补偿 (0 – 55 ppt)
• 电池可连续工作约10个小时
• 可选用1点校准或2点校准用于ppm或ppb不同 量程的精确测量

更新时间:2025-05-09

基础信息

产品型号

厂商性质

生产厂家

浏览次数

1928
详细介绍
品牌Aurora/傲乐供货周期一周
应用领域环保,化工,生物产业,农林牧渔,制药/生物制药


环境监测中的溶解氧


对溶解氧(DO)浓度的精确控制对于维持健康的生态系统至关重要。DO测量可以表明污染或自然因素(如藻类爆发、酸雨或风暴事件)是否正在影响水源。环境监测的远程站点涉及连续DO测量,这些数据可以被记录并通过无线方式传输。AlpHa拥有针对每个应用量身定制的传感器解决方案,包括集成了DO传感器的长期部署声纳仪、现场DO电极、手持式DO解决方案以及定制的光学传感器贴片。



产品亮点


AlpHa全新推出的手持便携式荧光溶解氧仪表可以帮助客户轻松实现工业在线和实验室环境下的水体中氧含量的测定。

仪表具有精度高、稳定性好、维护成本低等优点,分辨率低至十亿分之一(ppb),在现场和实验室使用均能实现高精度。

荧光溶解氧电极技术非常成熟,氧浓度通过嵌入在电极表面涂层的发光淬灭来确定。电极即插即用,无需“预热"时间,也无需填充溶液。



规格参数:

测量范围

实验室款:0-20mg/L(ppm)

0-200%饱和度
           
工业在线:0-50mg/L(ppm)

0-500%饱和度

精度

0-110%<±1%
           110-200%
<±2%

分辨率

低量程:<1ug/L1ppb
           
中量程:<10ppb
           
高量程:>10mg/L

响应时间

100%降到10%T90 30

温度精度

T9030

温度响应时间

T90 40,5-45℃(带搅拌)  

工作温度

0-50

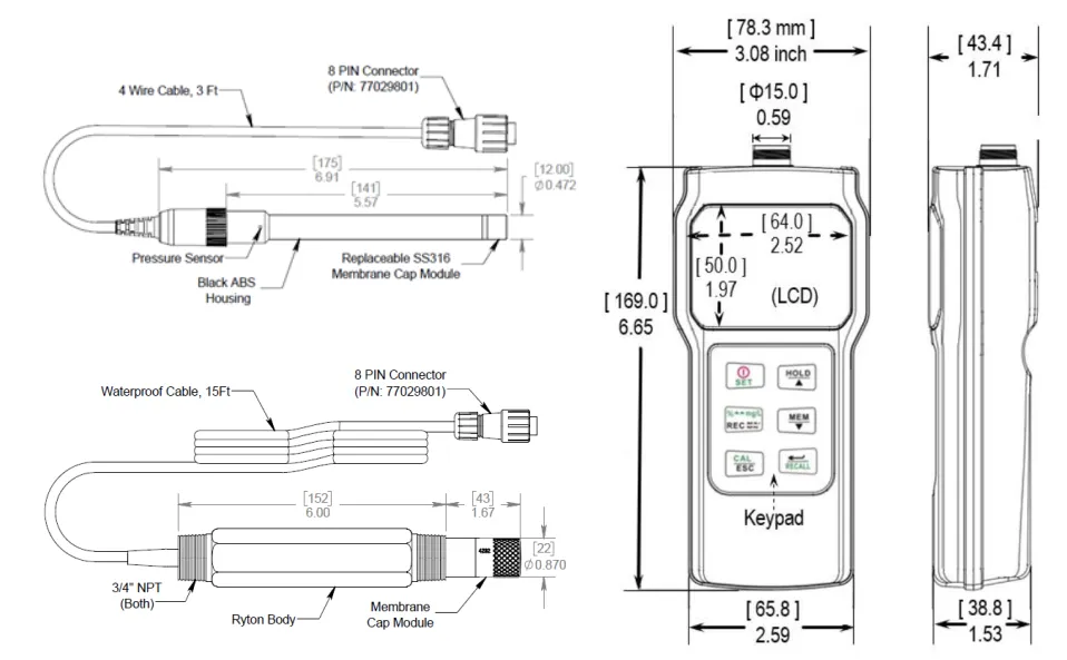
尺寸

78.3mmX169mmX42.4mm



订货号及配置

DOM-L001-KIT

仪表、实验室电极、6AAA电池(7)、手提箱

DOM-G001-KIT

仪表、工业式电极、金属护套、6AAA电池(7号)、手提箱


仪表和电极

DOM-MT01

仪表

DOL2-DOM1

实验室电极

DOGB-DOM1

工业电极


附件

DOL2-MS02

实验室电极膜帽

DOGB-MS02

工业电极膜帽

DOM-CASE

手提箱











 
在线留言

留言框

  • 产品:

  • 您的单位:

  • 您的姓名:

  • 联系电话:

  • 常用邮箱:

  • 省份:

  • 详细地址:

  • 补充说明:

  • 验证码:

    请输入计算结果(填写阿拉伯数字),如:三加四=7

TEL:021-64853728转8028

关注公众号